MENU
CSB8L-63系列漏電斷路器適用于50HZ、額定電壓400V及單相230V,額定電流至63A線路中,具有漏電觸電、過載、短路等保護功能,還可以根據用戶的需要增加過壓保護功能。
主要用于建筑照明和配電系統的保護。本產品可以根據用戶要求,增加欠壓、過壓保護功能。
本產品符合IEC6009-1、GB16917.1標準
型號及含義
CSB8L-63系列漏電斷路器由CSB8L-63高分段小型斷路器和漏電脫扣器拼裝而成.漏電斷路器系電流動作型電子式漏電斷路器,主要由零件電流互感器、電子組板件、漏電脫扣器及帶有過載和短路保護的斷路器組成.
技術參數

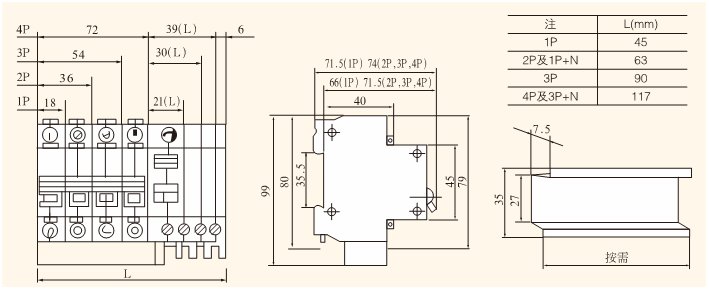
外形及安裝尺寸
